1. அறிமுகம்
This manual provides essential information for the proper use, installation, and maintenance of the Littelfuse 0895040.Z 40 Amp குறைந்த ப்ரோfile JCASE Cartridge Fuse. Please read these instructions carefully before handling or installing the product to ensure safety and optimal performance.
2. தயாரிப்பு முடிந்துவிட்டதுview
The Littelfuse 0895040.Z is a 40 Amp குறைந்த ப்ரோfile JCASE Cartridge Fuse designed for automotive and other low-voltage DC applications. JCASE fuses are known for their compact design and high current interruption capabilities, providing reliable circuit protection against overcurrent conditions. This specific fuse features a green polycarbonate housing and is rated for 58 Volts.

A single Littelfuse 0895040.Z 40 Amp குறைந்த ப்ரோfile JCASE Cartridge Fuse, green housing with a clear top indicating '40' for its ampஎரிச்சல் மதிப்பீடு.
3. விவரக்குறிப்புகள்
The Littelfuse 0895040.Z fuse adheres to the following technical specifications:
- மாதிரி எண்: 0895040.இசட்
- தற்போதைய மதிப்பீடு: 40 Amps
- தொகுதிtagஇ மதிப்பீடு: 58 வோல்ட் DC
- குறுக்கீடு மதிப்பீடு: 1000A @ 58 VDC
- இயக்க வெப்பநிலை வரம்பு: -40°C முதல் +125°C வரை
- வீட்டுப் பொருள்: PPA-GF13 (Polycarbonate)
- கவர் பொருள்: PA66
- செருகும் சக்தி: 53N Max. (12 lb)
- Extraction Force: 9N Min. (2 lb)
- இணக்கம்: SAE 274 and ISO 8820-4 (except for the life test)
- RoHS இணக்கம்: ஆம்
- தொகுப்பு அளவுகள்: Approximately 9.25 x 5.43 x 0.67 inches (overall packaging)

This image displays a detailed table of technical specifications for Low Profile JCASE Fuses, including voltage rating, interrupting rating, operating temperature, housing and cover materials, insertion and extraction forces, and compliance standards. It also includes a graph illustrating time-current characteristic curves and a table for ordering information and ratings based on current and housing material color.

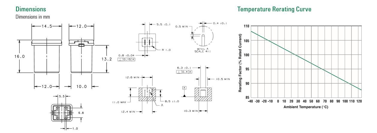
This image provides precise dimensional drawings of the Low Profile JCASE fuse in millimeters, showing various views and measurements. Additionally, it includes a graph illustrating the temperature rerating curve, which shows the derating factor as a percentage of rated current versus ambient temperature in Celsius.
4. அமைவு மற்றும் நிறுவல்
Proper installation is crucial for the effective operation of the fuse. Always ensure the vehicle or equipment's power is disconnected before attempting any fuse replacement.
4.1 பாதுகாப்பு முன்னெச்சரிக்கைகள்
- Always disconnect the power source (e.g., vehicle battery) before working on electrical circuits.
- Use appropriate tools for fuse removal and installation.
- Never replace a fuse with one of a higher amperage rating than specified by the manufacturer. This can lead to severe damage or fire.
- பாதுகாப்பு கண்ணாடிகள் போன்ற பொருத்தமான தனிப்பட்ட பாதுகாப்பு உபகரணங்களை (PPE) அணியுங்கள்.
4.2 நிறுவல் படிகள்
- Identify the Blown Fuse: Locate the fuse box in your vehicle or equipment. Consult your vehicle's owner's manual for the exact location and fuse diagram. A blown fuse typically has a broken filament or a discolored housing.
- சரிபார்க்கவும் Ampஎரிச்சல்: உறுதிப்படுத்தவும் amperage rating of the blown fuse. It is usually printed on the top of the fuse (e.g., '40' for 40 Ampகள்).
- Remove the Blown Fuse: Carefully pull out the blown fuse using a fuse puller or appropriate pliers.
- புதிய ஃபியூஸைச் செருகவும்: Insert the new Littelfuse 0895040.Z 40A fuse into the empty slot. Ensure it is seated firmly.
- சக்தியை மீண்டும் இணைக்கவும்: Once the new fuse is securely in place, reconnect the power source.

An assortment of colored JCASE fuses, each with a different amperage rating (e.g., 20A, 30A, 40A, 50A, 60A), displayed with their approximate dimensions in millimeters. This illustrates the standard sizing and color coding for different current ratings.
5. இயக்கக் கோட்பாடுகள்
A fuse is a safety device designed to protect an electrical circuit from overcurrent. When the current flowing through the circuit exceeds the fuse's rated amperage for a specific duration, the metallic element inside the fuse melts, breaking the circuit and preventing damage to components or wiring. The Littelfuse 0895040.Z fuse is specifically designed to open quickly under overload conditions, providing rapid protection.
6. பராமரிப்பு
Fuses are generally maintenance-free components. However, periodic inspection can help ensure the integrity of your electrical system.
- காட்சி ஆய்வு: Occasionally inspect fuses in critical circuits for any signs of physical damage or discoloration.
- மாற்று: Fuses are single-use devices. Once a fuse blows, it must be replaced with a new fuse of the identical type and amperage rating. Do not attempt to repair a blown fuse.
7. சரிசெய்தல்
If an electrical component or system in your vehicle or equipment stops functioning, a blown fuse is a common cause.
- அறிகுறி: A specific electrical device (e.g., radio, power window, light) is not working.
- செயல்: Locate the fuse associated with that device in the fuse box. Visually inspect the fuse for a broken filament. If the fuse is blown, replace it with a new Littelfuse 0895040.Z 40A fuse (or the correct amperage for that circuit).
- எச்சரிக்கை: If a newly installed fuse blows immediately or repeatedly, it indicates a more serious electrical problem (e.g., a short circuit or persistent overload) in the system. In such cases, consult a qualified automotive technician or electrician to diagnose and repair the underlying issue before replacing the fuse again.
8. பாதுகாப்பு தகவல்
Always prioritize safety when working with electrical components.
- Ensure the power source is disconnected before handling fuses.
- அதிக மின்னழுத்தம் கொண்ட உருகியை ஒருபோதும் பயன்படுத்த வேண்டாம். amperage rating than recommended for the circuit.
- Do not bypass a fuse with wire or foil, as this eliminates circuit protection and creates a fire hazard.
- If you are unsure about any electrical work, seek assistance from a certified professional.
9. உத்தரவாதம் மற்றும் ஆதரவு
For specific warranty information regarding your Littelfuse product, please refer to the documentation provided at the point of purchase or visit the official Littelfuse website. For technical support or inquiries, contact Littelfuse customer service directly.





